加入購物車成功!
本數顯表可直接串聯接入4-20mA變送器回路中,即可將通過的電流量,按設定的范圍,線性對應地以十進制數字量顯示出來,***大幅值為3999,即33/4位。變送器回路電流,既做為顯示表的輸入信號,也做為顯示表的工作電源,合二為一。用法與指針表一樣簡單方便,可直讀,精度高,優于指針表。此外,本表采用LED(數碼管)LCD(液晶帶藍色背光板)顯示,在有光和無光環境下,都可看清楚顯示數字,適用性更廣。本表是低降壓型,通過降壓≤2.8~4.2V,適用于低電壓電源系統,另外可供逆向跟蹤規格品種。
一、 技術條件
1. 使用條件
(1) 通過電流:額定范圍4-20mA 極限范圍:小于80 mA
(2) 溫度范圍:額定使用范圍:-10~50℃儲存范圍:-40~70℃
(3) 相對濕度:20%~90%RH
2. 顯示方式:LED(數碼管)/LCD(液晶帶綠色背光板)數字顯示。
3. 采樣速率:2.5~3次/秒
4. 數顯設定范圍:(-3999~+3999) 數碼管型:-1999~+1999
液晶帶綠色背光型:-3999~+3999
5. 電壓降:數碼管型:<3.8~4.2V(高亮均光)液晶背光型:<2.8~3.2V
6. 極性轉換:低于顯示表零點值時顯“—”,高于零點值時無極性符號顯示。
7. 精度:+(0.2%讀數+1字)
8. 溫度影響誤差:≤80PPM/℃
9. 過量程指示:顯示“4XXX”,X表示不顯示。
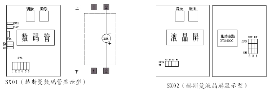
10. 外形尺寸:與2088/3051(∮52*18mm),1151(前∮63*后∮75*厚50mm)
赫斯曼(高63*寬45*厚45mm)相配套,可按用戶特殊要求尺寸設計訂制。
二、 安裝連接
本表標“+”符號的端子是電流輸入端,標“—”符號的端子是電流輸出端。背面仲出的燈籠插頭既是電流端子又是固定端子(背面可用導線連接)。
三、使用說明
本顯示表對外連接為一線制,因此只有電流輸入端口及電流輸出端口,本表利用底座背 面伸出插頭做為接線端子,標有“+”符號的為電流輸入端,標有“-”符號的為電流輸出端, 切勿接反,否則易損壞電路。
數顯設定與校準方法
根據變送器要測試的物理量的技術規格,確定其零位(4mA)及滿度(20mA)應該在數顯表上的顯示數值NO及NP,選擇量程開關位置及精調電位器,使其達到變送器的顯示要求。
面板上部左邊電位器為調滿,右邊電位器為調零。
量程調整分段說明表
1. 關于SW1設定方法:(根據所需顯示范圍選擇量程檔)
表一(適用于SX02/SX12/SX22/SX32液晶帶背光表頭)
量程段 | 輸入20mA時顯示值 | 相關連接SPAN-SW1 | 輸入4mA時顯示值 |
1 | 0…400~800 | 連接SW1…1 | 000 |
2 | 0…750~1600 | 連接SW1…2 | 000 |
3 | 0…1600~3500 | 連接SW1…3 | 000 |
4 | 0…2000~3999 | 連接SW1…4 | 000 |
表二(適用于SX01赫斯曼數碼管LED表頭,SX41/SX51長方型數碼管LED表頭)
量程段 | 輸入20mA時顯示值 | 相關連接SPAN-SW1 | 輸入4mA時顯示值 |
1 | 0…250~450 | 連接SW1…1 | 000 |
2 | 0…350~650 | 連接SW1…2 | 000 |
3 | 0…450~850 | 連接SW1…3 | 000 |
4 | 0…650~1250 | 連接SW1…4 | 000 |
5 | 0…850~1850 | 連接SW1…5 | 000 |
6 | 0…1350~1999 | 連接SW1…6 | 000 |
表三(適用于SX11/SX21/SX31數碼管LED表頭)
量程段 | 輸入20mA時顯示值 | 相關連接SPAN-SW1 | 輸入4mA時顯示值 |
1 | 0…200~360 | 連接SW1…1 (K1) | 000 |
2 | 0…360~720 | 連接SW1…2 (K2) | 000 |
3 | 0…720~1300 | 連接SW1…3 (K3) | 000 |
4 | 0…1300~1999 | 連接SW1…4 (K4) | 000 |
2.關于小數點DP的設定方法:
P1、P2、P3表示十位、百位、千位小數點,根據設定需要連接相應的一個小數點其它的開路不能連接。LCD液晶帶背光表頭將要點亮的小數點連到ON,其它不要點亮的須***連到OFF
四、調校方法(例0~2.500Mpa 液晶LCD型)
(1)SW1位置將SW1…3連接,其它斷開;小數點P3連接,P1、P2斷開。
(2)輸入4mA,調“ZERO”電位器使顯示值為000,輸入20mA,調“SPAN”電位器使顯示值為2.500
(3)重復(3)、(4)步驟,使顯示值為希望值。
五、訂貨選型須知
(1)本系列儀表有赫斯曼型,2088燈籠插頭型、標準1151型,長方形面板卡入型及長方形裸板型,根據具體要求正確選型。
(2)若已知零位及滿度示值請告知,由我公司在出廠前調定,若用戶要修改量程,請按本說明書進行。
(3)若用戶所要求的零位示值不為000的其他示值,請在訂貨時說明,由廠方調定。
(4)本系列儀表均可做成逆向跟蹤,即隨著輸入電流的增大,顯示值減小。
(5)可接受特殊外型規格訂貨。













